Pictogramme se connecter Se connecter
0 Pictogramme caddie ajout panier
Panier
Cliquez pour voir plus de produits.
Aucun produit n’a été trouvé.

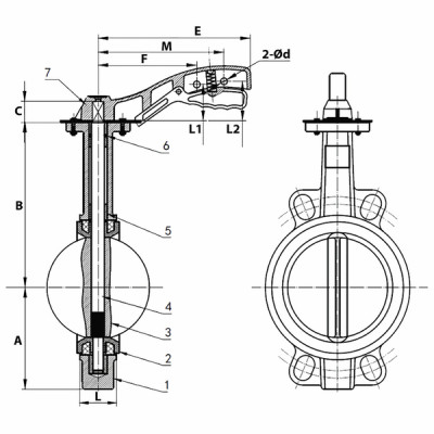
Vanne papillon à oreilles de centrage fonte DN200

Diamètre Nominal de 200 et Pression Nominale de 10/16
109,25 € HT
Derniers articles en stock 2 produits
Référence:
110173
  Télécharger la fiche produit
Ajouter aux favoris
Description

Utilisation eau froide et eau chaude
Limite de température: -10°C à +110°C
Avec des manchettes EPDM
Corps fonte GJS-500-7
Papillon fonte GJS-400-15 nickelé
Platine ISO 5211 - Motorisable
Poignée aluminium crantée 10 positions, cadenassable à 2 niveaux
Normalisation: Directive 97/23/CE: CE N°0035



Détails du produit
110173

Fiche technique

FAB_COM_EQ
ORIGINE FABRICANT
 Reviews

Be the first to write your review !

Déjà vus

Créez un compte gratuit pour utiliser les listes de favoris.

Se connecter