Pictogramme se connecter Se connecter
0 Pictogramme caddie ajout panier
Panier
Cliquez pour voir plus de produits.
Aucun produit n’a été trouvé.

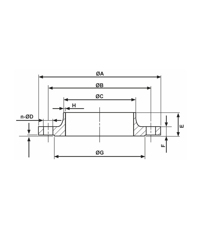
Bride à collerette à souder en acier DN125

Bride en acier à collerette à souder face de joint surélevée dressée 4004 PN10 Fabrication selon la norme EN 1092-1 Marquage : Un marquage est réalisé sur chaque bride Marque commerciale , norme, type Pression nominale , DN , Matiére , N° de lot
25,35 € HT
En stock 3 produits
Référence:
110192
  Télécharger la fiche produit
Ajouter aux favoris
Description

Bride acier conforme à la norme EN 1092-1 qui est le standard européen
Les brides sont donc universelles
Elle possède le marquage réglementaire qui permet d'assurer la conformité des produits



Détails du produit
110192

Fiche technique

FAB_COM_EQ
ORIGINE FABRICANT
 Reviews

Be the first to write your review !

Déjà vus

Créez un compte gratuit pour utiliser les listes de favoris.

Se connecter