Haga clic para ver más productos.
No se encontraron productos.
Ver precios y existencias en tiempo real
Carrito0
Su carrito de compras está vacío.
-
Productos
-
Climatización y bomba de calor
-
Piezas del calentador de agua
-
Electricidad
-
Hidráulico
-
Mantenimiento
-
Piezas de recambio Calefacción
-
Aerotermo
-
Quemador
-
Fabricante
-
Gasóleo
-
Acoplamiento
-
Caja de control y célula
-
Cable, conector y abrazadera
-
Electrodo y sonda
-
Chiclé y accesorios
-
Junta de brinda de quemador
-
Motor y condensador
-
Servomotor y cilindro de válvula de aire
-
tubo de llama
-
tubo de conexión
-
Transformador
-
Turbina y accesorios
-
Válvula de aire
-
Deflector
-
Línea de gasóleo
-
-
Gas
-
Caja de control y célula
-
Cable y abrazadera
-
Central de detección de gas y monóxido de carbono
-
Manguera de gas y accesorios
-
Motor y condensador
-
Piezo
-
Termopar
-
Transformador
-
Bloque de gas y accesorio
-
Electrodo y sonda
-
Línea de gas
-
Válvula
-
Lamparilla e inyector
-
Servomotor y cilindro de válvula de aire
-
Junta de brinda de quemador
-
-
Piezas para chimeneas, insertos y estufas
-
Pieza de horno y asador
-
Otras piezas para chimeneas, insertos y estufas
-
Bujía
-
Sensor, pantalla, mando a distancia
-
Circuito impreso
-
Eléctrico, cable y funda
-
Extractor y accesorios
-
Rejilla de fundición y crisol
-
Mantenimiento chimeneas
-
Motorreductor
-
Presostato, Termostato, klixón
-
Sonda, termopar
-
Trenza insertos, chimeneas, estufas
-
Ventilador
-
-
-
Regulación y medición
-
Grifería de radiador
-
Ventilación y fumistería
-
Liquidación de stock
-
Sanitario
-
Por el momento
-
-
Marcas
-
Despieces
-
Liquidación de stock
Haga clic para ver más productos.
No se encontraron productos.
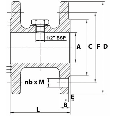
Distanciador d65 nf29323 - SFERACO : 1195065
Bridas de hierro fundido R. F. GN10 / 16 DN200 a DN150 GN10 en la distancia NF 29323 El conjunto de la válvula del acelerador espaciador y permite el reemplazo de las válvulas de acero a paso directo sin cambio en la temperatura de operación permisible: -10 ° C a + 150 ° C Max PN permitida: 16 bar Con purga 1/2 " 108mm distancia BSP
35,43 €
(impuestos excl.)
Referencia:
Descargar PDF
110182
A lista de deseos
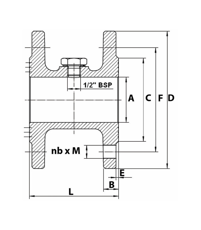
Fundición de hierro con bridas R.F. GN10/16 hasta DN150 GN10 en DN200 para distancia NF 29323 La válvula de mariposa y el conjunto de manguito permiten el reemplazo de las válvulas de acero a paso directo sin modificar la instalación. Temperatura admisible: -10° a +150°C Presión máxima admisible PN : 16b Con purga BSP de 1/2 Distancia 99mm PS: 16