Haga clic para ver más productos.
No se encontraron productos.
Ver precios y existencias en tiempo real
Carrito0
Su carrito de compras está vacío.
-
Productos
-
Climatización y bomba de calor
-
Piezas del calentador de agua
-
Electricidad
-
Hidráulico
-
Mantenimiento
-
Piezas de recambio Calefacción
-
Aerotermo
-
Quemador
-
Fabricante
-
Gasóleo
-
Acoplamiento
-
Caja de control y célula
-
Cable, conector y abrazadera
-
Electrodo y sonda
-
Chiclé y accesorios
-
Junta de brinda de quemador
-
Motor y condensador
-
Servomotor y cilindro de válvula de aire
-
tubo de llama
-
tubo de conexión
-
Transformador
-
Turbina y accesorios
-
Válvula de aire
-
Deflector
-
Línea de gasóleo
-
-
Gas
-
Caja de control y célula
-
Cable y abrazadera
-
Central de detección de gas y monóxido de carbono
-
Manguera de gas y accesorios
-
Motor y condensador
-
Piezo
-
Termopar
-
Transformador
-
Bloque de gas y accesorio
-
Electrodo y sonda
-
Línea de gas
-
Válvula
-
Lamparilla e inyector
-
Servomotor y cilindro de válvula de aire
-
Junta de brinda de quemador
-
-
Piezas para chimeneas, insertos y estufas
-
Pieza de horno y asador
-
Otras piezas para chimeneas, insertos y estufas
-
Bujía
-
Sensor, pantalla, mando a distancia
-
Circuito impreso
-
Eléctrico, cable y funda
-
Extractor y accesorios
-
Rejilla de fundición y crisol
-
Mantenimiento chimeneas
-
Motorreductor
-
Presostato, Termostato, klixón
-
Sonda, termopar
-
Trenza insertos, chimeneas, estufas
-
Ventilador
-
-
-
Regulación y medición
-
Grifería de radiador
-
Ventilación y fumistería
-
Liquidación de stock
-
Sanitario
-
Por el momento
-
-
Marcas
-
Despieces
-
Liquidación de stock
Haga clic para ver más productos.
No se encontraron productos.
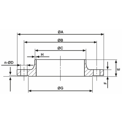
Brida de collarín para soldar de acero DN32 - DIFF
Opiniones
Productos más vistos
Referencia: 807030
En stock
7 productos
Monobloque estandar Ø52mm 1800w Mono y trifasica
Referencia: 103009
En stock
5 productos
Para Agua - Aire - Gasoil/Aceite Uso normal Alto Caudal Cuerpo de latón Piezas internas en acero inoxidable Clapeta equipada con una junta VITON Suministrado con bobina 220VAC y conector orientable.
Referencia: 807728
En stock
135 productos
Montage avec une petite pression sur points d'ancrage