Cliquez pour voir plus de produits.
Aucun produit n’a été trouvé.
Visualisez les prix et stocks en temps réel
Panier0
Votre panier est vide.
-
Produits
-
Climatisation & PAC
-
Pièces Chauffe-eau
-
Électricité
-
Hydraulique
-
Maintenance & Entretien
-
Pièces de rechange Chauffage
-
Aérotherme
-
Brûleur
-
Constructeur
-
Fioul
-
Gaz
-
Boîte de contrôle et cellule
-
Câble et cosse
-
Centrale de détection gaz et monoxyde de carbone
-
Flexible gaz et accessoires
-
Moteur et condensateur
-
Pièzo
-
Thermocouple
-
Transformateur
-
Bloc gaz et accessoire
-
Electrode et sonde
-
Ligne gaz
-
Vanne
-
Veilleuse et injecteur
-
Servomoteur et vérin de volet d'air
-
Joint de bride de brûleur
-
-
Pièces détachées poêles, cheminées, inserts
-
Pièce four et rotissoire
-
Autres pièces pour cheminée, insert et poêle
-
Bougies
-
Capteur, écran, télécommande
-
Circuit imprimé
-
Pièce électrique, câble et gaine
-
Extracteur et accessoires
-
Grille en fonte et creuset
-
Maintenance et entretien cheminées
-
Motoréducteur
-
Pressostat, Thermostat, klixon
-
Sonde, thermocouple
-
Tresse insert, cheminée, poêle
-
Ventilateur
-
-
-
Régulation & Mesure
-
Robinetterie Radiateur
-
Ventilation & Fumisterie
-
Destockage
-
Sanitaire
-
En ce moment
-
-
Marques
-
Vues Éclatées
-
Déstockage
Cliquez pour voir plus de produits.
Aucun produit n’a été trouvé.
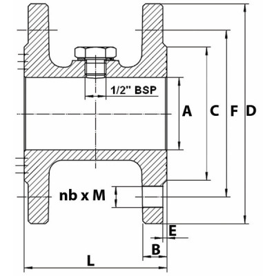
Manchette d'écartement DN80 NF29323 - SFERACO : 1195080
En fonte à brides R.F. GN10/16 jusqu'au DN150 GN10 en DN200 pour écartement NF 29323 L'ensemble Robinet papillon et manchette permet le remplacement des vannes acier à passage direct sans modification de l'installation Température admissible : -10°C à +150°C Pression maxi admissible PN : 16 bars Avec purge 1/2" BSP écartement 114mm
43,06 €
HT
Référence:
Télécharger la fiche produit
110183
Ajouter aux favoris
En fonte à brides R.F. PN10/16 jusqu'au DN150
PN10 en DN200 pour écartement NF 29323
L'ensemble robinet papillon et manchette permet le remplacement des vannes acier à passage direct sans modification de l'installation
Température d'eau admissible: -10°...150°C
Pression max admissible jusqu'au DN200: 16b
Avec purge F1/2" BSP