Pictogramme se connecter Login
0 Pictogramme caddie ajout panier
Cart
Click for more products.
No produts were found.

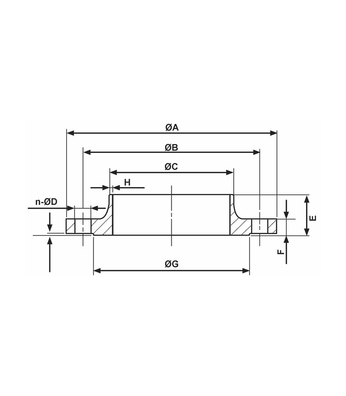
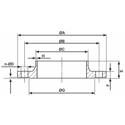
Collar flange to be welded steel DN40

€10.87 (tax excl.)
Out-of-Stock
Reference:
110972
  Download PDF
Add to wishlist
Description

Steel flange in accordance with standard EN 1092-1 that is the European standard Therefore the flanges are universal. It has the regulatory marking that guarantees conformity of the products



Product Details
110972

Data sheet

FAB_COM_EQ
ORIGINE FABRICANT
 Reviews

Be the first to write your review !

Viewed products

Create a free account to use wishlists.

Sign in