-
Products
-
HVAC & heat pump
-
Water heater parts
-
Electricity
-
Hydraulic
-
Maintenance & Servicing
-
Heating spare parts
-
Air heater
-
Burner
-
Manufacturer
-
Fuel oil
-
Gas
-
Spare parts for stoves, fireplaces, inserts
-
Oven and roaster part
-
Other parts for fireplaces, inserts and stoves
-
Spark plug
-
Sensor, screen, remote control
-
Printed circuit board
-
Electrical, cable and sheath
-
Extractor and accessories
-
Cast iron grid and crucible
-
Maintenance and servicing fireplaces
-
Gear motor
-
Pressure switch, Thermostat, klixon
-
Probe, thermocouple
-
Braided insert, fireplace, stove
-
Fan
-
-
-
Control & Measurements
-
Radiator valves
-
Ventilation & Heat insulation
-
Stock clearance
-
Sanitary
-
At the moment
-
-
Brands
-
Exploded Views
-
Stock clearance
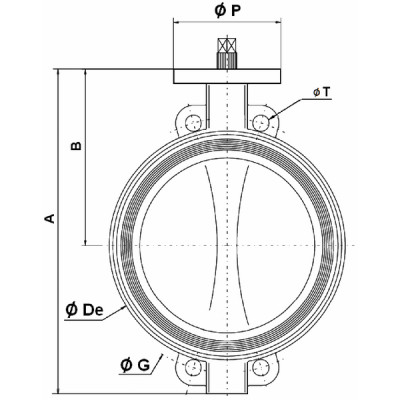
Wafer butterfly valve nf gaz dn100 - DIFF
Wafer type. Between flanges GN10/16 and ISO PN20 ANSI150. Long neck for isolation. ISO 5211 mounting pad. Full crossing stem . Removable seat. 9 positions lever with locking device up to DN200. Lever with stop in all positions but non lockable from DN250 to DN300. Rilsan coated body colorRAL 5024. Gear box possible. NF certificate - Rob-gaz n°ROB 064 00-R2. NF EN 549. PS : classe MOP 5 (5 bars). TS : -20°C to 60°C. Ductile iron EN GJS 500-7 rilsané. Stainless steel disc 316 up to DN 100. Iron disc EN GJS 500-7 up from DN 125. NBR seat. shift lever operation. width 52mm
Wafer type Between flanges GN10/16 and ISO PN20 ANSI150Long neck for isolation ISO 5211 mounting padFull crossing stem Removable seat9 positions lever with locking device up to DN200Lever with stop in all positions but non lockable from DN250 to DN300 Rilsan coated body colorRAL 5024Gear box possible NF certificate - Rob-gaz n°ROB 064 00-R2NF EN 549 PS : classe MOP 5 (5 bars)TS : -20°C to 60°CDuctile iron EN GJS 500-7 rilsané Stainless steel disc 316 up to DN 100 Iron disc EN GJS 500-7 up from DN 125NBR seat shift lever operationwidth 52mm